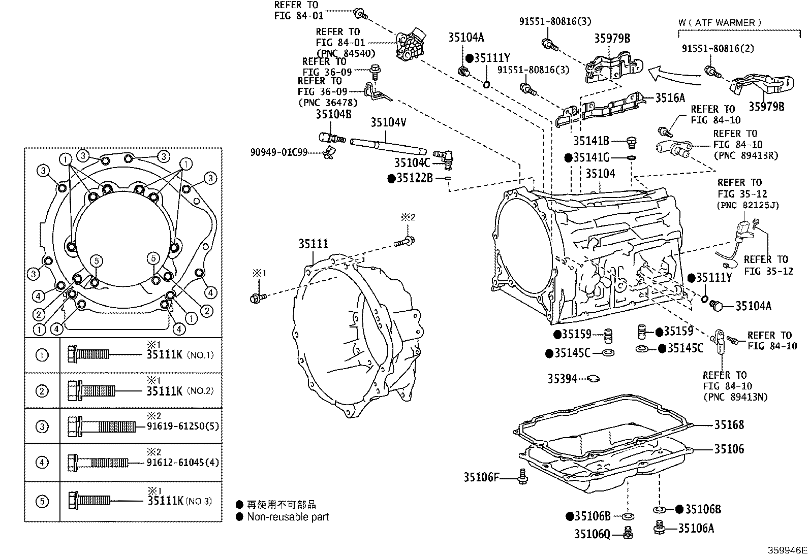
لندکروزر | مجموعه پوسته گیربگس
| کد مدل |
سال |
گیربکس |
موتور |
تیپ |
سفارش |
تعداد در |
| GRJ150L-GKTEKX |
2017-2021 |
AUTOMATIC |
1GRFE4000CC 24-VALVE DOHC EFI |
|
RUS |
5-DOOR |
| 35104 |
CASE SUB-ASSY, AUTOMATIC TRANSMISSION |
| 3510471020 |
|
| 35111 |
پوسته جلو گیربکس اتوماتیک |
| 3511160240 |
|
| 35106 |
PAN SUB-ASSY, AUTOMATIC TRANSMISSION OIL |
| 3510671050 |
|
| 35168 |
GASKET, AUTOMATIC TRANSMISSION OIL PAN |
| 3516871010 |
|
| 3516A |
INSULATOR, TRANSAXLE OIL PAN HEAT |
| 3516A60010 |
|
| 35159 |
واشر |
| 3515971010 |
|
| 35145C |
GASKET, TRANSAXLE CASE |
| 3514560020 |
|
| 35394 |
آهنربای صافی روغن گیربکس |
| 3539430011 |
|
| 35104C |
PLUG, BREATHER, NO.2 (ATM) |
| 9093003220 |
|
| 35104B |
PLUG, BREATHER, NO.1 (ATM) |
| 9093003211 |
|
| 35141B |
PLUG (FOR AUTOMATIC TRANSMISSION CASE) |
| 9034114011 |
|
| 35111Y |
RING, O (FOR AUTOMATIC TRANSMISSION CASE) |
| 9030106196 |
|
| 35141G |
RING, O (FOR AUTOMATIC TRANSMISSION CASE) |
| 9030111030 |
|
| 35106A |
PLUG SUB-ASSY, DRAIN (ATM) |
| 9034110011 |
|
| 35106Q |
PLUG (FOR AUTOMATIC TRANSMISSION OIL PAN) |
| 9034110021 |
|
| 35106B |
واشر پیچ تخلیه گیربکس |
| 3517830010 |
|
| 35104A |
PLUG, AUTOMATIC TRANSMISSION CASE |
| 9034108001 |
|
| 35111K |
BOLT (FOR TRANSMISSION HOUSING & CASE SETTING) |
| 9011912378 |
|
| 9011910232 |
|
| 9011910947 |
|
| 35106F |
BOLT (FOR AUTOMATIC TRANSMISSION OIL PAN) |
| 9011906A02 |
|
| 35979B |
INSULATOR, TRANSMISSION, RH |
| 3597960020 |
|
| 3597960010 |
|
| 35122B |
RING, O (FOR AUTOMATIC TRANSAXLE BREATHER TUBE UNION) |
| 9030108015 |
|
| 35104V |
شیلنگ هواکش گیربکس |
| 9044711088 |
|