کمری | هواکش کامل و قطعات
| کد مدل |
سال |
گیربکس |
موتور |
تیپ |
سفارش |
تعداد در |
| MCV30L-AEPGKW |
2004-2005 |
AUTOMATIC |
1MZFE3000CC 24-VALVE DOHC EFI |
XLE |
EUR |
- |
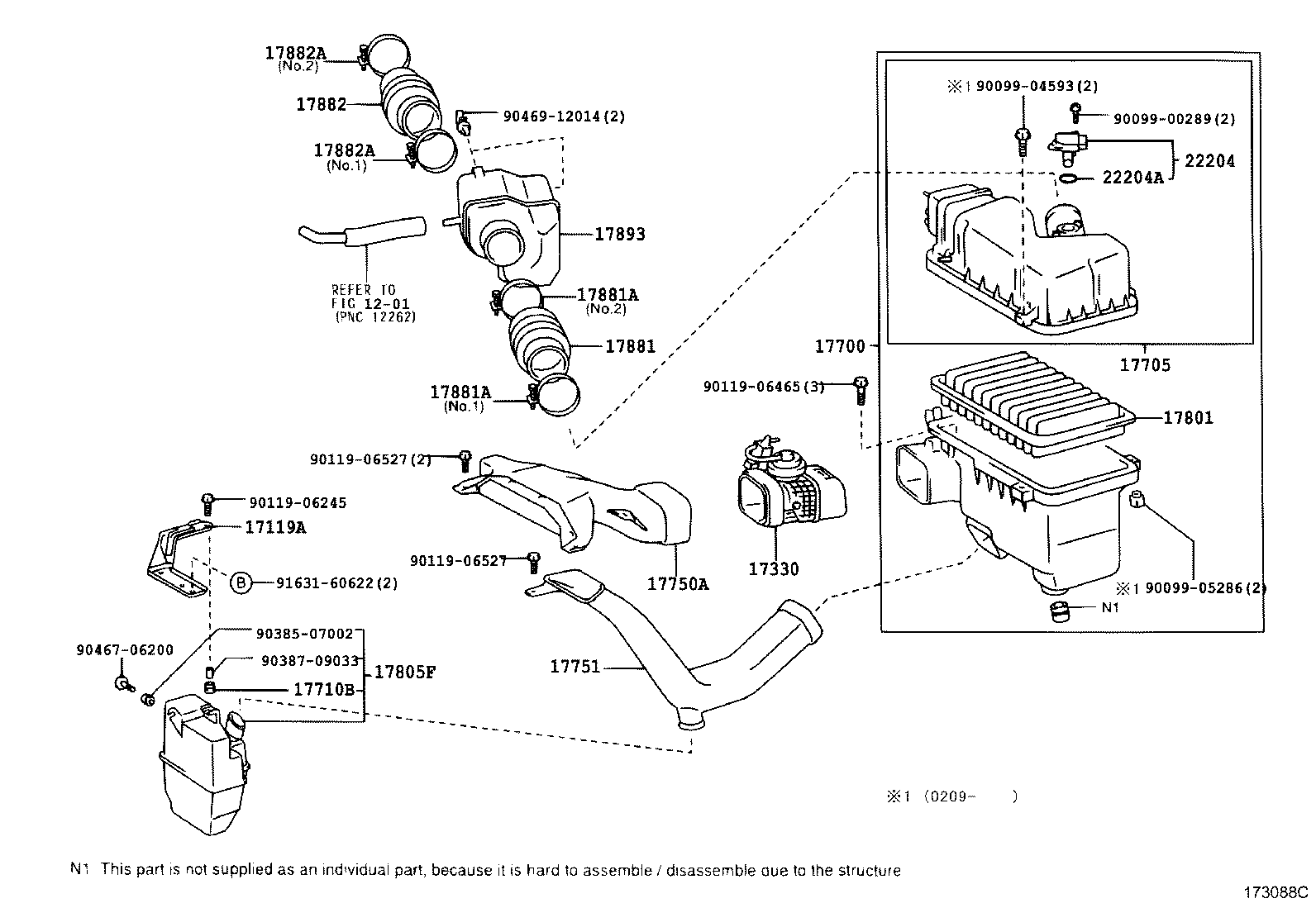
| 17700 |
مجموعه هواکش کامل |
| 1770020200 |
|
| 17705 |
قسمت بالای هواکش |
| 1770520170 |
|
| 22204 |
سنسور اندازه گیر هوای ورودی |
| 2220422010 |
|
| 17330 |
سوپاپ اطمینان فیلتر هوا |
| 1733020010 |
|
| 17805F |
سر هواکش |
| 1780520040 |
|
| 17750A |
لوله ورودی هوا |
| 1775020110 |
|
| 17801 |
فیلتر هوا |
| 1780120040 |
|
| 17893 |
منبع هوای وردی |
| 1789320070 |
|
| 17751 |
لوله هواکش |
| 1775120020 |
|
| 17882 |
لوله هواکش |
| 1788220150 |
|
| 17881 |
مخزن شیلنگ فیلتر هوا |
| 1788120130 |
|
| 17119A |
پایه فیلتر هوا |
| 1711928040 |
|
| 17881A |
بست |
| 9611110880 |
|
| 17882A |
CLAMP(FOR AIR CLEANER HOSE, NO.2) |
| 9611110850 |
|
| 17710B |
واشر ورودی هوا |
| 9048017013 |
|
| 22204A |
RING, O(FOR INTAKE AIR FLOW METER) |
| 9009914141 |
|